发现地球上有化石记录的最早古赤潮
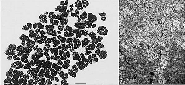
现代微囊藻和2.5亿年前的微囊藻化石
(中国化石网)据中国科学报(王晨绯):我国科学家通过古生物学与现代微生物学的学科交叉识别正确鉴定了这种化石,并且对从蓝藻生物体到化石的地质演化机制作了科学的解释;不仅揭示了树枝状岩石的本质,而且发现了地球上有化石记录的最早古赤潮。
2.5亿年前地球上曾发生过一次神秘的灾难,导致地球上95%以上的生物物种灭绝。与这次神秘事件相伴的是,中国华南浅海地区普遍形成了一层厚达数米的树枝状的奇特岩石。
经过多年研究,吴亚生与中国科学院水生生物研究所虞功亮等多位学者近日合作的文章最终发现,这种奇特的岩石是由一种叫作微囊藻的蓝藻化石富集形成的。微囊藻是现今江河湖泊中蓝藻水华的常见祸首之一。太湖、巢湖、滇池的蓝藻水华中都有其身影。
此前,1994年,中英两国学者发现了一种现代热泉的泉华沉积,呈树枝状。他们认为,这种树枝状的泉华是微生物形成的。
1999年,英国学者克肖在重庆老龙洞进行地质考察时,也发现了该特殊的地质现象:在石灰岩岩石中有树枝状的结构,它由纵向延伸的、直径不到1厘米的较深色岩石构成。克肖认为,老龙洞的树枝状岩石与之前报道的泉华在形态上相似,因而可能也是由微生物形成的。
2003年,中日两国学者对老龙洞附近华蓥山的同样树枝状岩石进行了研究。他们在扫描电镜下发现了几个微米大小的蓝细菌形成的微生物化石。他们还注意到,在显微镜下,树枝状岩石内部有一些斑点状的物质,他们把这种斑点叫凝块,认为是微生物吸附细粒沉积物形成的。据此他们提出,树枝状岩石是由微生物形成的凝块构成的。
2006年,在国家自然科学基金项目的支持下,中国科学院地质与地球物理所副研究员吴亚生等对老龙洞的树枝状岩石进行了首次考察。
“当时这种树枝状岩石的表面长满了青苔,我们用化学溶剂对岩石表面进行了大规模清洗,最终使岩石表面的构造清晰可见。”吴亚生等对岩石表面进行了大范围仔细观察、描述、拍照。他们发现树枝状结构的形态变化很大;大多数地方不呈典型的树枝状;有些地方呈雨水沿玻璃窗下延的痕迹。他们将树枝状岩石制成切片在显微镜下观察,发现树枝状岩石是由大块方解石组成的,大块方解石内部包含一些不规则的斑点状物质。进一步的研究揭露了大块方解石是化学沉积形成的,而包含的斑点是原来岩石发生岩溶后残存的碎屑。研究人员对树枝状岩石周围的岩石进行切片研究后发现,有很多几十微米大小的不规则囊状化石。通过与现代微生物的对比研究,他们认为,这是古代菌落形成的化石。
2007年克肖提出微生物岩的树枝状结构由“叶突状物体”组成,但对这种“叶突状物体”未作进一步说明。
2008年日本学者与北京大学合作者提出树枝状微生物岩是由“球状体”构成的凝块构成的,但对“球状体”的性质未作进一步解释。
2.5亿年前生物大灭绝之后,地球上的植被遭到彻底破坏,导致地表风化侵蚀作用的显著加强,大量有机质被带到浅海地区,造成了水体的富营养化,并引起了蓝藻微囊藻的大暴发,形成了地球上有化石记载的最早古赤潮。
在水体中养分耗尽之后,形成赤潮的蓝藻死亡沉入水底,被沉积物掩埋,经过复杂的地质作用,形成了保存于岩石中的化石。由于这种蓝藻的群体可以具有树枝状的生长形态,其化石富集的地方可以使岩石具树枝状的结构。而这种树枝状的结构困扰了中外科学家十多年。
我国科学家通过古生物学与现代微生物学的学科交叉识别正确鉴定了这种化石,并且对从蓝藻生物体到化石的地质演化机制作了科学的解释;不仅揭示了树枝状岩石的本质,而且发现了地球上有化石记录的最早古赤潮。












