《波兰古生物学报》:塔里木晚奥陶世珊瑚研究新进展
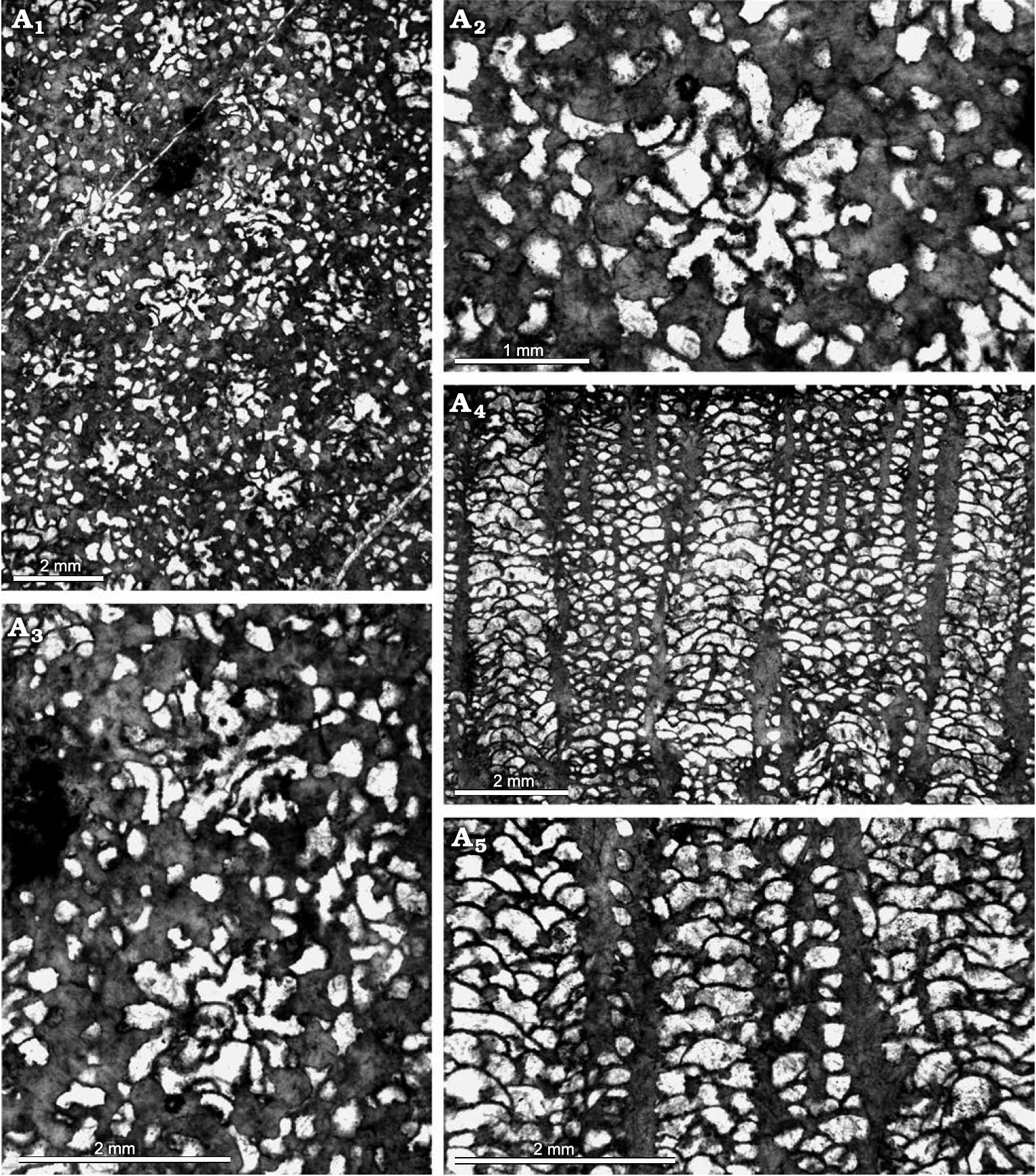
塔里木晚奥陶世晚期珊瑚动物群代表分子
(化石网)据中国科学院南京地质古生物研究所:塔里木是我国境内的三大古板块之一。在奥陶纪,该板块的珊瑚化石记录很少,主要发育在其东北缘的库鲁克塔格晚奥陶世晚期地层中。由于库鲁克塔格地处偏远,交通不便,对这一珊瑚动物群的面貌及古生物地理属性缺乏系统认识。
近期,中国科学院南京地质古生物研究所博士生崔雨浓在研究员王光旭的指导下,系统研究了采自于库鲁克塔格南区元宝山组的300余块珊瑚标本,发现这一珊瑚动物群全部是由日射珊瑚组成。相关研究成果发表在国际学术期刊《波兰古生物学报》(Acta Palaeontologica Polonica)上。
该珊瑚动物群具体包含似网膜珊瑚类、西伯利亚珊瑚类、前日射珊瑚类、前孔珊瑚类、假网膜珊瑚类和日射珊瑚类等,共计6属8种。研究还比较了它与其他主要板块同期珊瑚动物群的组成,认为塔里木在该时段与哈萨克斯坦和南天山的生物地理联系最密切,而与祁连、华北等块体的动物群联系较弱。
本研究得到现代地层学与古生物学国家重点实验室、国家自然科学基金项目、中国科学院战略性先导科技专项和中国科学院青年创新促进会的联合资助。
论文相关信息:Cui, Y.N., Wang, G. X. 2023. Early Katian, Late Ordovician, heliolitine corals from southern Kuruktag in northeastern Tarim Basin of China. Acta Palaeontologica Polonica. https://doi.org/10.4202/app.01023.2022.












